SELECTRIX - kompatible Artikel 

Aktuelle

PREISLISTE

 

 

 

 

 

 

Bestellungen

MTTM Modellbahn Technik Team München

 

 

A. Günther

 

 

Wasserturmstr, 30

 

 

85551 Kirchheim

 

Tel

089 90 46 95 47

 

Fax

089 90 46 95 48

 

eMail

selectrix@mttm.de

 

 

 

 

 

zur Online-Bestellung

 


Advanced Computer Interface III

 

ST-001-F3S

ST-001-F3U

Anleitung

Anleitung

 

 


8-fach Weichenmodul (Spule)

ST-002-F

Anschluss

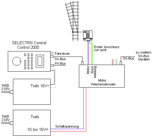
8-fach Weichenmodul (Motor)

ST-002-MF

Anschluss

 

 

 


Servo-Modul

ST-005-F

Anleitung

 

Ein Modellbauservo ist der ideale preiswerte Antrieb für die Modellbahn. Überall auf der Modellanlage wo sich stationär etwas bewegen soll, eignen sich Servos hervorragend. Ein Servo selbst ist ein kleiner Getriebemotor, der über Stellimpulse aus dem Servo-Modul an eine bestimmte Position gefahren werden kann. So können mit Servos z.B. Weichen, Flügelsignale, stationäre Entkuppler, Wasserkräne, Lokschuppentore usw. bewegt werden. Das Servo-Modul dient dabei zur Ansteuerung der Servos. Gegenüber herkömmlichen Weichenmotoren sind Servos preiswerter, einfacher einzubauen, einfacher und präziser einzustellen und leiser.

Zusätzlich erhalten Sie von uns: Servos, Herzstückpolarisation, Stromversorgung, Verlängerungskabel usw.

 


Drehscheiben-Antrieb

ST-006-F

Anleitung

 

Endlich ist er da - der hochpräzise, zuverlässige Drehscheibenantrieb! Zur Zeit lieferbar für Fleischmann N und H0 Drehscheiben (kann aber problemlos in Drehscheiben beliebig anderer Hersteller eingebaut werden!)

 


7-facher SX-Busverteiler

ST-010-B

Anschluss

 

 


8-fach Belegtmelder ohne PTC's (

ST-008-IO

Anschluss

8-fach Belegtmelder-PTC's für N

ST-008-IN

Anschluss

8-fach Belegtmelder-PTC's für H0

ST-008-IH

Anschluss

 

 

 

 

 

 


3-Amp. Booster

ST-014-F

Anschluss

 


6-Amp. Booster

ST-015-F

Anschluss

 


Multi-IO Basismodul

ST-016-F

Anleitung

 

 

 


Multi-IO Eingangserweiterung

ST-017-F

Anleitung

 


Multi-IO Ausgangserweiterung

ST-019-F

Anleitung

 


Multi-IO Ausgangserweiterung mit Überblendung für Lichtsignale

ST-019-FS

Anleitung

 

 

 


DHL050/100/210 Lokdecoder

DHL100 / DHL101

Anschluss

 

weitere Information zu den DHL Lokdecodern

 


Central-Control 2000 Update SX2

ST-170-F

Beschreibung

 


Control-Handy Update SX2

ST-171-F

Beschreibung

 


Lok-Control 2000 Update SX2

ST-172-F

Beschreibung

 

 

Aktuelle

PREISLISTE

 

 

zur Online-Bestellung

zurück zur Homepage